NEW CONSTRUCTION FLIP-TOP COPPER DRAIN

High-quality copper drain whose size is adapted for mechanical coupling with an MJ or FERNCO style drain seal for use in the construction of new buildings. Optional product: Millenium drain marker, Flow control.

Attached files

Open or select files to share.

Description

DOME

  • Two piece secured hinged HD cast aluminum Vandal Proof dome
  • Easy maintenance with single Phillips screw
  • Top fully opens with 6½” opening
  • 3 bolt design allow sease of installation
  • Millenium flip top dome fits all sizes of Millenium retro fit and new construction copper and aluminum drains
  • Designed to accommodate contract or metal foil adhesive label
  • 33 weir openings for effective drainage
  • Available and boxed as ‘dome only’ in boxes of 5
  • Millenium Flow Control canal so be used as needed
  • Flip top dome series copper drains are SKU designated beginning with P (Premium)
  • Standard dome on all P series copper drains

FLANGE / CLAMPING RING

  • Heavy cast aluminum construction
  • 9 drainage channels to allow full drainage
  • Flange designed for optimum seal with roof flashing
  • Fits all sizes of Millenium copper drains
  • Reversible to allow elevation drainage options

DRAIN DECK AND STEM

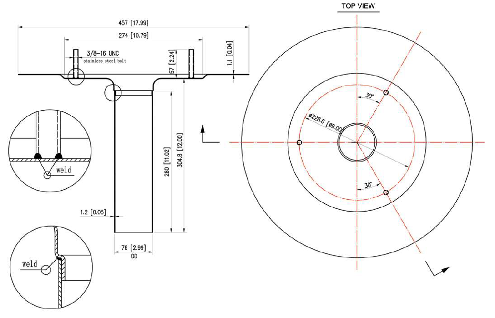
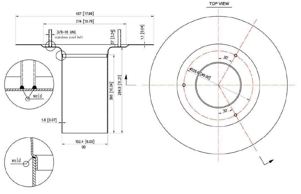
  • 24 oz. / .05” (1.2 mm) prime roofing grade T-2 copper
  • Available in either flat or recessed deck
  • Argon-Arc welded and overlapping seams for clean solid weld fusion
  • Tig welded 3/8” stainless steel bolts to copper deck
  • Extra set of stainless steel nuts (6)
  • Code approved CSA-B79
  • Available New Construction sizes 2”, 3”, 4” and 6” in flat deck and in sizes 3”, 4” and 6” in recessed deck
  • 1.2 mm copper for drains up to 3”, 1.5 mm for 5” and 2.0 mm copper for 6” drains
  • 18” wide deck flange

More informations

Contact Us